|
Danfoss Hansen. Universal Quick Disconnect Blind-Mate (UQDB)
One partner, every solution
Danfoss Hansen. Universal Quick Disconnect Blind-Mate (UQDB)
Danfoss Hansen Universal Quick Disconnect Blind-Mate (UQDB) has been designed with OCP (Open Compute Project) community to set industry standard for thermal management application in data centers. This quick disconnect coupling is available in 4 different sizes (as the UQD: -02/-04/-06/-08) and complies with OCP specification requirements. Danfoss UQDB offers a self-alignment feature to help connect in location with limited access or visibility and guarantees 100% helium-leak testing on every coupling.
Features and Benefits
- Designed per OCP UQDB specifications
- “Blind-connection” thanks to self- alignment feature with radial compensation of 1 mm
- Push-to-connect design
- Direct connection between servers and manifolds
- High flow and reduced pressure drop for an improved system efficiency
- Flat-face dry break design to avoid spillage during connection/ disconnection
- Sizes available: -02/-04/-06/-08
- High reliability and 100% helium-leak tested
- Standard material: 303/304 stainless steel for excellent corrosion resistance
- Standard seal material: EPDM-P (Peroxide cured) for excellent fluid compatibility
- Terminal ends are ORB
- Operating temperature: 5°C - 65°C (41°F - 149°F)
- Typical working pressure: 6.9 bar
- QR code marking to help identify and track produc-tion parts
- All wetted o-rings/seals are qualified/ certified as per IEC/UL 6268-1 G.15.2.3

Danfoss Hansen Universal Quick Disconnect Blind-Mate (UQDB)
One partner, every solution

Solutions to your
liquid cooling challenges
Inner Rack Solutions
Danfoss’ direct-to-chip cooling solutions extend into the racks through efficient routing of flexible, kink-free hoses, and leak free, helium-tested couplings.
Danfoss has a comprehensive portfolio of premium fluid conveyance products to meet your thermal management system needs.

Physical characteristics
| Size |
Body Size (in) |
Nominal Flow Diameter (mm) |
Max operating pressure (bar) |
Max operating pressure (psi) |
Socket / Female Half (bar) |
Socket / Female Half (psi) |
Plug / Male Half (bar) |
Plug / Male Half (psi) |
Connected (bar) |
Connected (psi) |
Min burst pressure (bar) |
Min burst pressure (psi) |
Socket / Female Half (bar) |
| UQDB02 |
1/8 |
2.8 |
20 |
290 |
20 |
290 |
20 |
290 |
20 |
290 |
60 |
870 |
60 |
| UQDB04 |
1/4 |
5.5 |
16 |
232 |
16 |
232 |
16 |
232 |
16 |
232 |
48 |
696 |
48 |
| UQDB06 |
3/8 |
6.3 |
10 |
145 |
10 |
145 |
10 |
145 |
10 |
145 |
30 |
435 |
30 |
| UQDB08 |
1/2 |
6.9 |
8.89 |
100 |
6.89 |
100 |
6.89 |
100 |
6.89 |
100 |
20.68 |
300 |
20.68 |
Socket / Female Half (psi) |
Plug / Male Half (bar) |
Plug / Male Half (psi) |
Connected (bar) |
Connected (psi) |
Rated Flow* (lpm) |
Rated Flow* (gpm) |
Cv Value (cc.) |
Air Inclu- max. (cc.) |
Fluid Loss (mm) |
Misalignment (radial) (mm) |
870 |
60 |
870 |
60 |
870 |
2.1 |
0.55 |
0.31 |
0.04 |
0.02 |
1 |
696 |
48 |
696 |
48 |
696 |
6.4 |
1.7 |
1.22 |
0.04 |
0.025 |
1 |
435 |
30 |
435 |
30 |
435 |
11.6 |
3 |
2.23 |
0.093 |
0.035 |
1 |
300 |
20.68 |
300 |
20.68 |
300 |
17.8 |
4.7 |
3.76 |
0.096 |
0.044 |
1 |
*Defined per OCP specifications, Rated Flow is the reference flow rate used to measure pressure drop and determine the published Cv (flow coefficient)
Seal Elastomer Data
| Seal Elastomer |
Operation Temperature Range (°C) |
Operation Temperature Range (°F) |
| EPDM-P |
-40°C + 150°C |
-40°F + 302°F |
Performance Parameters
| Size |
Force to Connect (N) |
Force to Connect (lb) |
Plug ORB Size |
Plug Recommended Torque (N.m) |
Socket ORB Size |
Socket Recommended Torque (N.m) |
| UQDB02 |
53 |
12 |
7/16-20 UNF-2A |
9-10 |
9/16-18 UNF-2A |
15-17 |
| UQDB04 |
62 |
14 |
9/16-18 UNF-2A |
15-17 |
3/4-16 UNF-2A |
25-28 |
| UQDB06 |
67 |
15 |
3/4-16 UNF-2A |
25-28 |
7/8-14 UNF-2A |
30-33 |
| UQDB08 |
71 |
16 |
7/8-14 UNF-2A |
30-33 |
1 1/16-12 UN-2A |
48-53 |
Flow Data
| Size |
Flow at 5 m/s (lpm) |
Flow at 5 m/s (gpm) |
| UQDB02 |
2.3 |
0.6 |
| UQDB04 |
7.8 |
2 |
| UQDB06 |
14.7 |
3.9 |
| UQDB08 |
20.6 |
5.4 |
A reference flow rate corresponding to 5 m/s is widely adopted in industry to balance pressure drop and flow stability. While not the maximum allowable flow, it offers an optimal balance between system performance and component sizing.


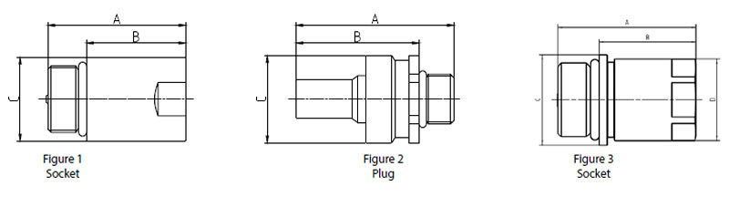
Dimensions and Order Part No.
OCP UQDB size |
Part number |
Order number |
Part |
Material |
Thread/size (ORB) |
Fig. n° |
Dimensions A (mm) |
Dimensions A (in) |
UQDB02 |
2UQBS560RM |
2UQBS560RM |
Socket |
SS303 |
9/16-18 |
1 |
33.6 |
1.32 |
UQDB02 |
2UQBP440RM |
2UQBP440RM |
Plug |
SS303 |
7/16-20 |
2 |
36.1 |
1.42 |
UQDB04 |
4UQBS750RM |
4UQBS750RM |
Socket |
SS303 |
3/4"-16 |
1 |
39.6 |
1.55 |
UQDB04 |
4UQBP560RM |
4UQBP560RM |
Plug |
SS303 |
9/16-18 |
2 |
45.32 |
1.78 |
UQDB06 |
6UQBS870RM |
6UQBS870RM |
Socket |
SS303 |
7/8"-14 |
1 |
44.6 |
1.74 |
UQDB06 |
6UQBP750RM |
6UQBP750RM |
Plug |
SS303 |
3/4"-16 |
2 |
49.9 |
1.96 |
UQDB08 v2 |
8UQBS1060RMV2 |
11367197 |
Socket |
SS303 |
1 1/16"-12 |
3 |
50.66 |
2 |
UQDB08 v2 |
8UQBS1060RMV2 |
11368123 |
Socket |
SS304 |
1 1/16"-12 |
3 |
50.66 |
2 |
UQDB08 |
8UQBP870RM |
8UQBP870RM |
Plug |
SS303 |
7/8"-14 |
2 |
55.6 |
2.19 |
| Dimensions B (mm) |
Dimensions B (in) |
Dimensions C (mm) |
Dimensions C (in) |
Dimensions D (mm) |
Dimensions D (in) |
E2E length (mm) |
E2E length (in) |
| 23.6 |
0.93 |
20 |
0.79 |
- |
- |
35.8-37.2 |
1.41-1.47 |
| 27 |
1.06 |
20 |
0.79 |
- |
- |
35.8-37.2 |
1.41-1.47 |
| 28.5 |
1.12 |
23.6 |
0.92 |
- |
- |
44.0-45.4 |
1.73-1.79 |
| 35.3 |
1.39 |
25 |
0.98 |
- |
- |
44.0-45.4 |
1.73-1.79 |
| 17.1 |
0.68 |
28.4 |
1.11 |
- |
- |
47.5-48.9 |
1.87-1.93 |
| 38.9 |
1.53 |
28.4 |
1.11 |
- |
- |
47.5-48.9 |
1.87-1.93 |
| 35.56 |
1.4 |
33 |
1.3 |
29.8 |
1.17 |
50.9-51.9 |
2.00-2.04 |
| 35.56 |
1.4 |
33 |
1.3 |
29.8 |
1.17 |
50.9-51.9 |
2.00-2.04 |
| 42.9 |
1.69 |
31.3 |
1.23 |
- |
- |
51.8-53.2 |
2.04-2.09 |
Manifolds
IT Chassis Blind-mate QD coupling
Interior server hose
Socket
Plug
UQDB Universal Quick Disconnect Blind-Mate
Designed for high flow rate and no spillage, the UQDB coupling is perfect for in rack applications where visibility and/or access are limited
3 | . Danfoss | Produced by Power Solutions I October 2025
-
Fact sheet > Danfoss Hansen. Universal Quick Disconnect Blind-Mate (UQDB)
Figure 1 Socket Figure 2 Plug
Figure 3 Socket
Dimensions
UQDB02 2UQBS56ORM 2UQBS56ORM Socket SS303 9/16"-18 1 33.60 1.32 23.6 0.93 20 0.79 35.8 - 1.41 -
UQDB02 2UQBP44ORM 2UQBP44ORM Plug SS303 7/16"-20 2 36.10 1.42 27 1.06 20 0.79 37.2 1.47
UQDB04 4UQBS75ORM 4UQBS75ORM Socket SS303 3/4”-16 1 39.60 1.55 28.5 1.12 23.6 0.92 44.0 - 1.73 -
UQDB04 4UQBP56ORM 4UQBP56ORM Plug SS303 9/16”-18 2 45.32 1.78 35.3 1.39 25 0.98 45.4 1.79
UQDB06 6UQBS87ORM 6UQBS87ORM Socket SS303 7/8''-14 1 44.40 1.74 31.7 1.24 28.4 1.11 47.5 - 1.87 -
UQDB06 6UQBP75ORM 6UQBP75ORM Plug SS303 3/4'' -16 2 49.90 1.96 38.9 1.53 28.4 1.11 48.9 1.93
UQDB08 v2 8UQBS106ORMV2 11367197 Socket SS303 1 1/16’’-12 3 50.66 2.00 35.56 1.40 33 1.30 29.8 1.17 50.9-51.9 2.00-2.04
UQDB08 v2 8UQBS106ORMV2 11368123 Socket SS304 1 1/16’’-12 3 50.66 2.00 35.56 1.40 33 1.30 29.8 1.17 50.9-51.9 2.00-2.04
UQDB08 8UQBP87ORM 8UQBP87ORM Plug SS303 7/8’’-14 2 55.60 2.19 42.9 1.69 31.3 1.23 51.8 – 53.2 2.04 -2.09
Applications & Markets
- Direct-to-chip liquid cooling
- Thermal management
|